Réalisation de vos études
Réalisations & études électriques
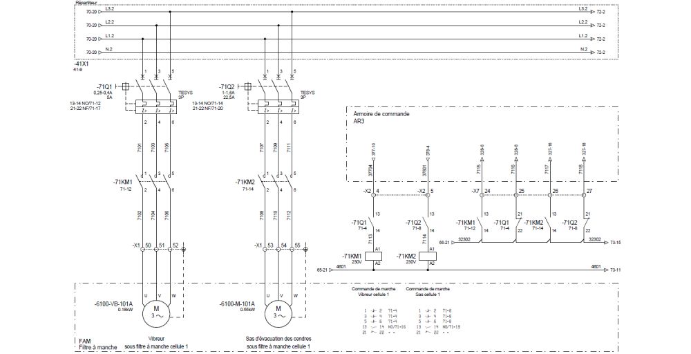
Études électriques industrielles
Nous accompagnons les professionnels de l’industrie, du tertiaire et des infrastructures dans la conception, l’analyse et l’optimisation de leurs installations électriques. Grâce à une approche rigoureuse et entièrement personnalisée, nous garantissons des études fiables, conformes aux normes en vigueur et parfaitement adaptées aux contraintes opérationnelles de chaque projet.
Nous intervenons sur l’ensemble des phases techniques : établissement d’avant-projets, rédaction de spécifications, chiffrages, création ou recopie de schémas électriques, ainsi que relevés sur site pour obtenir une vision précise de vos équipements. Pour assurer une qualité optimale, nous utilisons des logiciels de référence tels que SEE Electrical Expert, Caleco, EPLAN, AutoCAD, Rapsody (Schneider Electric) ou encore XL Pro 4 (Legrand), permettant de modéliser et de documenter vos installations avec un haut niveau de détail.
Notre expertise garantit une interprétation claire de vos schémas pour faciliter le câblage, le choix du matériel, la réalisation d’armoires et la performance globale de vos installations.
Nos logiciels
SEE Electrical Expert
Le logiciel SEE Electrical Expert permet de réaliser des schémas électriques précis et conformes aux normes industrielles. Grâce à cet outil puissant, nous optimisons la conception, le câblage et la documentation de vos installations électriques, offrant des solutions fiables et sur mesure pour les professionnels.
Caneco
Le logiciel Caneco permet de réaliser des calculs électriques fiables et conformes aux normes en vigueur. Il optimise la conception de vos installations, le dimensionnement des câbles et des protections, offrant des solutions sûres et adaptées aux besoins des professionnels.
EPLAN
Le logiciel EPLAN permet de créer des schémas électriques industriels précis et conformes aux normes. Il facilite la conception, la documentation et le câblage de vos installations, offrant des solutions fiables et professionnelles pour les projets électriques complexes.
Un besoin, un projet, une demande technique ? Nous sommes à votre écoute.
Horaires
Lundi : 08:00 – 18:00
Mardi : 08:00 – 18:00
Mercredi : 08:00 – 18:00
Jeudi : 08:00 – 18:00
Vendredi : 08:00 – 18:00
Samedi & Dimanche : Fermé
